ステンレス焼き入れスライド軸

SS/SSP(硬質クロムメッキ処理品 メッキ厚 t≧3μm)

森本精密シャフト株式会社

スライドシャフトは、直線運動機構の案内として、油圧・空圧シリンダーのピストンロッドとして、油圧空圧機器、建設機械、成形機、特殊車両、各種FA機器など、幅広い分野でお使いいただいています。
豊富な材質とサイズ、各種軸受けとの組み合わせにも対応できる様、いろいろなバリエーションを取り揃えています。
軸端加工も賜りますので、ご相談下さい。

もっと見る 閉じる

製品カタログのダウンロード (32.7Mb)

製品パンフレットのダウンロード (8.3Mb)

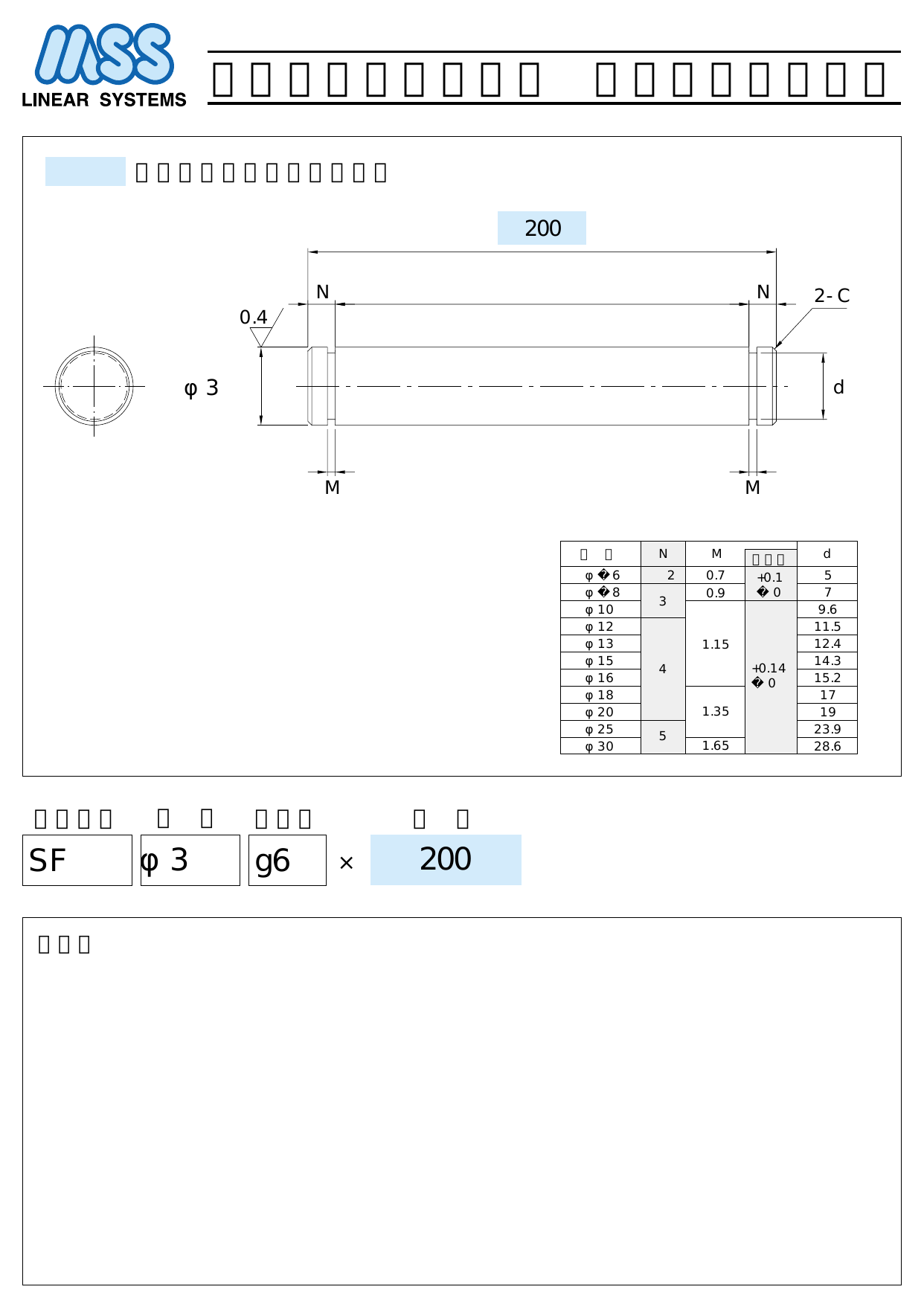
焼き入れスライド軸 ストレートタイプ設計図のダウンロード (27Kb)

焼き入れスライド軸 両端おねじタイプ設計図のダウンロード (42.7Kb)

焼き入れスライド軸 片端めねじタイプ設計図のダウンロード (37.9Kb)

焼き入れスライド軸 片端おねじ、片端めねじタイプ設計図のダウンロード (37Kb)

焼き入れスライド軸 両端めねじタイプ設計図のダウンロード (34Kb)

焼き入れスライド軸 片端段付めねじタイプ設計図のダウンロード (35.1Kb)

焼き入れスライド軸 片端おねじタイプ設計図のダウンロード (48.5Kb)

焼き入れスライド軸 止め輪溝付タイプ設計図のダウンロード (23.1Kb)

関連カタログ

ステンレス焼き入れスライド軸の関連カタログ

製品カタログ
製品パンフレット
焼き入れスライド軸 ストレートタイプ設計図
焼き入れスライド軸 両端おねじタイプ設計図
焼き入れスライド軸 片端めねじタイプ設計図
焼き入れスライド軸 片端おねじ、片端めねじタイプ設計図
焼き入れスライド軸 両端めねじタイプ設計図
焼き入れスライド軸 片端段付めねじタイプ設計図
焼き入れスライド軸 片端おねじタイプ設計図
焼き入れスライド軸 止め輪溝付タイプ設計図

森本精密シャフト株式会社

森本精密シャフト株式会社は、1971年の創業以来、産業用電子機器・半導体などの高機能部品・産業用ロボット・自動車などのメカトロニクス製品の製造に欠かせない高精度シャフトの専門メーカーとして、産業の発展...

〒 518-1147
三重県伊賀市蔵縄手834-1

ステンレス焼き入れスライド軸へのお問い合わせ

*の項目は入力必須です。
お問い合わせ内容をご記入ください

ご要望*

この内容をご存知でしたか?*

導入予定時期を教えて下さい*

あなたの立場を教えて下さい*

お客様情報
お名前*
電話番号*
ハイフン付き電話番号をご入力ください。
会社名*

公開中の特集