34件の登録があります。
第一熱処理工業のグループ会社、ダイニチ工業会社案内のご紹介です。
熱処理と機械加工を一貫体制で行っています◆営業品目・産業機械部品 水道管用遠鋳モールド 遠心鋳造金型 ピストンロット 長尺シャフト 製紙関連ロール 各種組立ロー...
様々な用途で活躍するフレキシブルシャフト
フレキシブルシャフトは、回転動力を離れた位置へ伝達する優れものとして、産業界で活躍しています。しかし、このフレキシブルシャフトの利点を理解している方は、意外と少ない...
高トルクの回転力を効率良く伝達する
様々な用途で活躍するフレキシブルシャフトフレキシブルシャフトは、正確な回転動力伝達に優れた、シンプルで柔軟性のある製品です。・取付が自在・振動を吸収(比較的騒音...
0.001mmの精度で選ばれてきた実績
創業から65年、私たちは金属加工の世界で、“精度”を高め続けてきました。時代と共に製品へのニーズも多様化する中、求められる精度・品質を超えていくことで選ばれ続けてきた...
無限の可能性 ー伝統技術と最最新鋭技術の融合ー
私たち二見屋工業は、享保の時代より代々受け継がれた伝統と、最新の技術・設備によりお客様のニーズを正確にかたちにしてまいりました。その伝統と信頼の技術にさらなる磨...
「削る」・「磨く」で夢を実現させる
シャフトの加工、研磨、研削ならお任せください。【掲載内容】・高度メカトロニクス設備による充実した生産体制・センターレス研磨による段付きシャフト高速加工・カム...
多くの企業に採用いただいています
◆栓ゲージ・高品質で価格は国内製の半額以下・現場検査用の「工作用ゲージ」としてコストダウンが可能◆ねじ用限界ゲージ・高品質で価格は国内製の1/3程度・現場検査用...
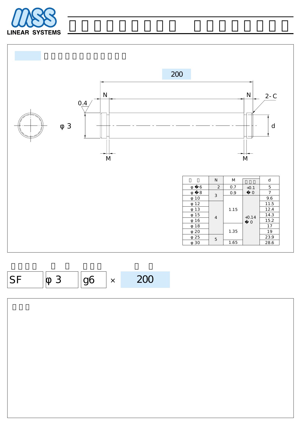
フリースライドシャフト カタログのご案内です。
・高精度な冷間鍛造技術と薄膜樹脂コーティング技術の融合。・「小型軽量化」、「高機能・高耐久」と「コスト削減」を高次元に両立。・国内主要メーカーの次世代自動車に搭載。