カクタ メーカー公式情報

NO.51B小 | 横押し型クランプ No.51B小

最安値 : ¥2,989  

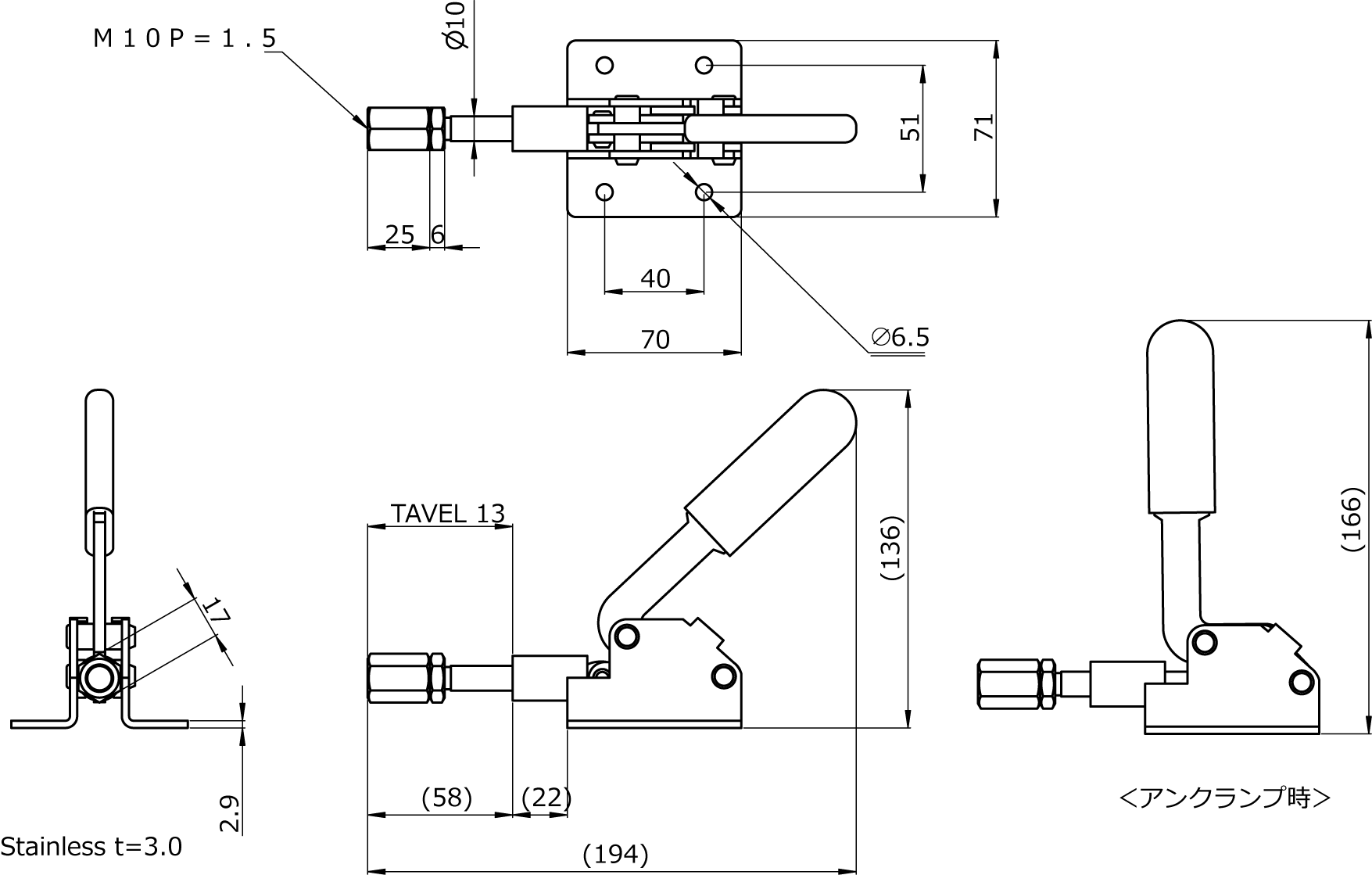
横押し型トグルクランプ。

横押し型クランプ No.51B小 の販売情報

横押し型クランプ No.51B小 サイト一覧

表示価格についてのご注意
通貨、価格に*が付いているものは06:58の為替情報(Yahoo!ファイナンス)を元に変換された情報です。実際の価格と異なる場合がございますのでご注意ください。
通貨、価格に*が付いているものは06:58の為替情報(Yahoo!ファイナンス)を元に変換された情報です。実際の価格と異なる場合がございますのでご注意ください。
販売元 販売元製品コード 購入・問い合わせ 通貨 サプライヤーコメント
海外発送 在庫 出荷 価格
Amazon
B00GJJ7MXY なし 注文から5営業日以上 販売元サイトを見る 問い合わせ JPY 最安 2,989  
Amazon
JPY 2,989 

ECサイト製品コード

B00GJJ7MXY

在庫数 出荷 海外発送
なし 注文から5営業日以上
ロット数あたりの単価
1 JPY 2,989  

横押し型クランプ No.51B小の製品概要

横押し型トグルクランプ。

ワンタッチで締付け/押えができ、繰り返し作業に最適。

この製品の利用用途

・検査治具をはじめ、熔接治具、その他組立治具、加工治具に最適。
・木工やDIYでも活用可能。

横押し型クランプ No.51B小の製品仕様

締圧力(kN) 1.6
取付方法 フランジ
材質 スチール
最大長(mm) 195
最大高(mm) 170
最大幅(mm) 71
質量(g) 495
ストローク(mm) 13
付属品 高ナットM10x25

横押し型クランプ No.51B小の詳細情報

メーカー カクタ
メーカー製品情報ページ http://www.kakuta-clamp.com/product/no-51bs/
登録カテゴリ
このページのトップへ