スマートエナジー研究所-en Official Info

SDMT-AD | Motor Palette (追加購入)

Seriesパワエレ向け高速回路シミュレータ Scideam

Demo/Rental Available

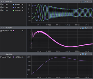
モーター制御システムのシミュレーションを行うためのオプションです。

Motor Palette (追加購入) Sales Info

Motor Palette (追加購入) EC Site List

There is no registered distributor

Would you like to list your products?

Register at Apérza

Motor Palette (追加購入) Product Description

モーター制御システムのシミュレーションを行うためのオプションです。

追加購入の場合に適用されます。

Motor Palette (追加購入) Details

Manufacturer Brand スマートエナジー研究所-en
Series Name パワエレ向け高速回路シミュレータ Scideam
Product Brand
Sales Start Date 01/10/2024
Model Page https://www.smartenergy.co.jp/service/about-motor-palette/
Category
Scroll to top